产品咨询:15012603725
电话:
传真:
邮箱:
地址:
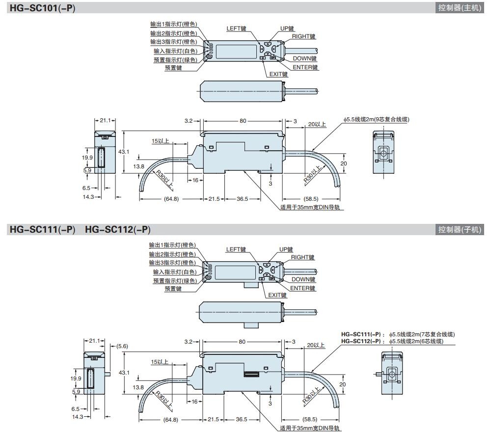
HG-S系列
接触式数字位移传感器














