优米软件下载·助力中国制造

  • 电话:
    0755-2783 3360
    传真:
    0755-2783 3357
  • 邮箱:
    stonker_tech@163.com
    地址:
    深圳市宝安区航城街道三围社区锦文科创园1栋B座二楼

为了您的隐私和安全,我们会严格保密您的信息*

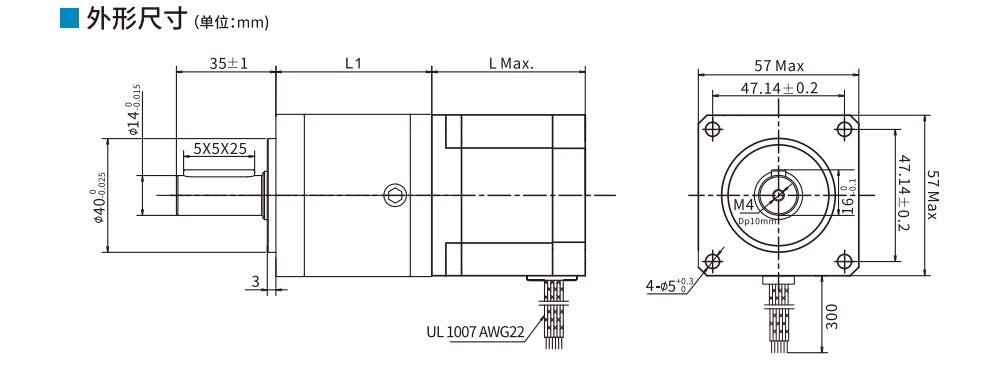
57mm系列
57mm系列

57mm系列

行星减速步进电机

  • 步距精度:±5%
  • 绝缘强度:AC 500V(1min)
  • 运行温度范围:-20℃~50℃
  • 绝缘等级:Class B(130℃)
  • 绝缘电阻:100M Ω Min DC 500V
  • 允许温度上升:80℃ Max(线阻方式)
Baidu
map
扫码关注
QQ:2192542846
公司地址:深圳市宝安区航城街道三围社区锦文科创园1栋B座二楼
咨询热线 :
0755-2783 3360
扫码关注
Copyright © 2022 米优12.5下载 All Reserved 备案号:粤ICP备12312376号