产品咨询:15012603725
电话:
传真:
邮箱:
地址:
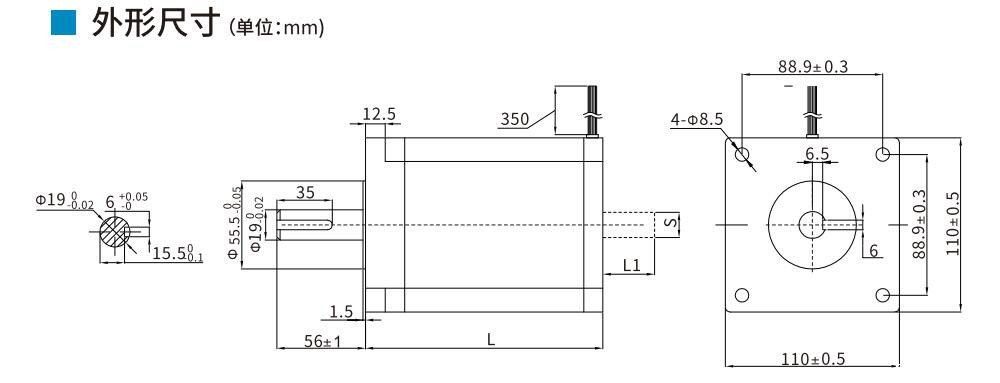
110mm系列
步进电机型号定义




